| 注意:访问本站需要Cookie和JavaScript支持!请设置您的浏览器! • 打开购物车 • 查看留言 • 付款方式 • 联系我们 |
![]() |
| 首页 | 电子入门 | 学单片机 | 免费资源 | 下载中心 | 商品列表 | 象棋在线 | 在线绘图 | 加盟五一 | 加入收藏 | 设为首页 |
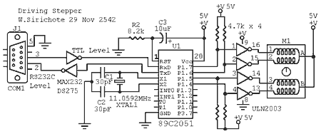
| 选择分类:当前分类——常用资料 相关联或者相类似的文章: [推荐]如何学好电子(32017) 今夏购物回馈送大礼并可参加抽奖活动(32000) 免费抄版软件——文字或图片转PCB文件(31341) 74系列芯片资料 (11661) 两匹马的故事(10519) 知道中国人的安全套用完了送哪里去了?(10473) 互联网精华文章摘录(10473) 节能灯套件制作说明(9999) 无插件免安装功能强大的象棋打谱演示软件(9985) 一切都是玩!一切为了玩!(9523) 三十分钟一个小时学会单片机(9045) 什么是单片机?单片机有什么用? (8723) 如何用STC板将代码烧录进IC(8681) 怎样安装AT51编程板的USB转串口软件?(8206) 多功能电子实验套件助你成功!(8073) 电影敲诈手段“遥控炸弹”在深圳真实上演(5300) 当你扛不住的时候就读一遍(4300) 2012年春节放假通知(4300) USB充电器套件制作说明(3141) 消费2000元,就可能得到1200元的现金奖励(2857) 首页 前页 后页 尾页 本站推荐: | AT89C2051驱动步进电机的电路和源码
程序 stepper.c /* #include c:\mc51\8051io.h /* include i/o header file */ register unsigned char j,flag1,temp; unsigned char step[8]={0x80,0xc0,0x40,0x60,0x20,0x30,0x10,0x90} /* flag1 mask byte main() { while(1){ energize(); /* round-robin execution the following tasks every 10ms */ } cw(){ } ccw(){ } tick_wait(){ /* cputick was replaced by simpler ASM code 10ms wait */ asm" JNB TCON.5,*"; /* wait for TF0 set */ energize(){ P1 = step[(j&0x07)]; /* only step 0-7 needed */ 1、 本站不保证以上观点正确,就算是本站原创作品,本站也不保证内容正确。 2、如果您拥有本文版权,并且不想在本站转载,请书面通知本站立即删除并且向您公开道歉! |
|
本站协议 |
版权信息 |
关于我们 |
本站地图 |
营业执照 |
发票说明 |
付款方式 |
联系方式
深圳市宝安区西乡五壹电子商行——粤ICP备16073394号-1;地址:深圳西乡河西四坊183号;邮编:518102 E-mail:51dz$163.com($改为@);Tel:(0755)27947428 工作时间:9:30-12:00和13:30-17:30和18:30-20:30,无人接听时可以再打手机13537585389 |