注意:访问本站需要Cookie和JavaScript支持!请设置您的浏览器! 打开购物车 查看留言付款方式联系我们
初中电子 单片机教材一 单片机教材二
搜索上次看见的商品或文章:
商品名、介绍 文章名、内容
首页 电子入门 学单片机 免费资源 下载中心 商品列表 象棋在线 在线绘图 加盟五一 加入收藏 设为首页
本站推荐:
金属接近开关
文章长度[1056] 加入时间[2007/1/4] 更新时间[2026/4/4 14:28:44] 级别[0] [评论] [收藏]

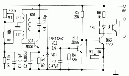
  此处介绍一种在机械行业得到广泛应用的金属接近开关电路,如附图所示。该电路由两部分组成,即高频振荡器及开关电路,其工作原理如下。
 
    金属不靠近探头时,高频振荡器工作,振荡信号经DV1、DV2倍压整流,得到一直流电压使BG2导通,BG3截止,后续电路不工作。当有金属靠近探头时,由于涡流损耗,高频振荡器停振,BG2截止,BG3得电导通,光电耦合器4N25内藏发光管发光,光敏三极管导通接通电路,起开关作用。
      元件选择
   探头需自制,在φ5mm×4mm磁芯上,用φO.12mm的漆包线绕制,绕制匝数如图所示,其他元件按图所标。一般只要元件好,焊接无误,即可正常工作。
      调试
   接通电源,调节W1,用万用表监测BG2,使c、e两极之间刚好完全导通。这时高频振荡器处于弱振状态。然后用一金属物靠近探头,BG2应马上截止。再细调W2使BG3刚好完全导通,此时灵敏度高,范围大(感应距离在几毫米到数十毫米),再根据自己的使用情况,细心调整W1和W2,使感应距离适合自己使用即可。

1、 本站不保证以上观点正确,就算是本站原创作品,本站也不保证内容正确。
2、如果您拥有本文版权,并且不想在本站转载,请书面通知本站立即删除并且向您公开道歉! 以上可能是本站收集或者转载的文章,本站可能没有文章中的元件或产品,如果您需要类似的商品请 点这里查看商品列表!
本站协议 | 版权信息 |  关于我们 |  本站地图 |  营业执照 |  发票说明 |  付款方式 |  联系方式
深圳市宝安区西乡五壹电子商行——粤ICP备16073394号-1;地址:深圳西乡河西四坊183号;邮编:518102
E-mail:51dz$163.com($改为@);Tel:(0755)27947428
工作时间:9:30-12:00和13:30-17:30和18:30-20:30,无人接听时可以再打手机13537585389